咨询热线
150-9893-5483
网站公告:
诚信为本:市场永远在变,诚信永远不变。
网站首页
关于我们
产品展示
棒磨机钢棒
耐磨磨棒
磨煤机磨棒
球磨机铸锻钢球
热轧钢球
合金衬板
轴承钢球、钢锻
新闻资讯
案例展示
技术知识
行业资讯
在线留言
联系我们
产品展示
PRODUCT
棒磨机钢棒
耐磨磨棒
磨煤机磨棒
球磨机铸锻钢球
热轧钢球
合金衬板
轴承钢球、钢锻
新闻资讯
NEWS
网架球的结构以及生产
棒磨机钢渣用钢棒
花岗岩制砂用棒磨机钢棒的优缺点
2745棒磨机钢棒初装加多少钢棒
热轧钢球跟轧制钢球不是同一产品?小编带你走进研磨球的世界!
咨询热线
150-9893-5483
手机:
150-9893-5483
电话:
150-9893-5483
地址:
山东省济南市
邮箱:
1258343418@qq.com
技术知识
当前位置:
首页
>
技术知识
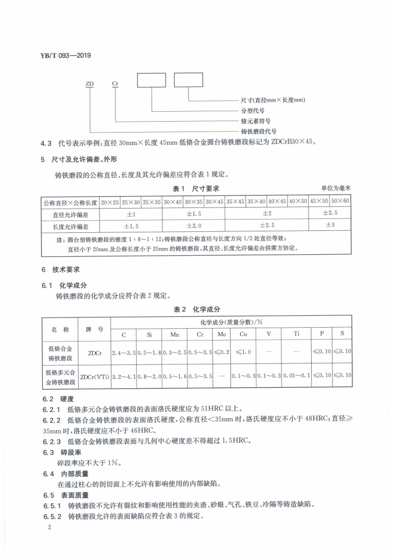
YB/T 093-3019 低铬合金铸铁磨段国家行业标准
发布时间:2018-06-14 16:24:42
点击量:
更多详情请联系:15098935483,期待与您电话交流。
上一篇:暂无
下一篇: YB/T 092-2019 合金铸铁磨球国家行业标准
返回列表
友情链接:
网站首页
关于我们
产品展示
新闻资讯
案例展示
技术知识
行业资讯
在线留言
联系我们
电话:150-9893-5483
手机:150-9893-5483
QQ:1258343418